HomeProduct Center
IRB-D4340
Model:
IRB-D4340
Descriptions:
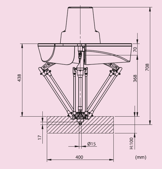
DELTA type parallel manipulator IRB-D4340 has 3+1 axis drivezcan achieve high speed movement in the limited spacezcan rotate the workpiece placementthe maximum carrying weight of 3kg.
DELTA型并联机械手IRB-D4340,拥有3+1轴驱动,可在有限空间内实现高速运动,可旋转工件摆放,最大可搬重量3kg。
DELTA型并联机械手IRB-D4340,拥有3+1轴驱动,可在有限空间内实现高速运动,可旋转工件摆放,最大可搬重量3kg。
Main Specifcations 主体规格
| Items项目 | Specifications 规格 |
| Type型式 | Corner[转角式] |
| Model主体型号 | IRB-D4340 |
| Axes轴数 | 4 Axis [4轴] |
| Arm Length(Master Arm/Driven Arm) 手臂长(主动臂/从动臂) | Master Arm:200mm/Driven Arm:370mm [主动臂:200mm/从动臂:370mm] |
| Max.Motion Area最大动作范围 | ∅=200mm;H=100mm |
| Motion Range动作角度 | Master Arm Upswing:27Downswing:86° [主动臂上摆:2°/下摆:86°] |
| Max.Payload最大搬运重量 | 3 kg |
| Standard Payload标准搬运重量 | 1kg |
| Max.Circles of Pick and Place action 最大运动节拍 | 180 cycles/min [180 次/min] |
| Position Repeatability 重复定位精度 | X,Y,Z Direction:±0.1 mm[X,Y,Z各方向:±0.1mm] |
| Angular Repetition Accuracy 角度重复精度 | ±0.5° |
| Max. Allowable Moment of Inertia 最大允许惯性力矩 | 0.01 kgm2 |
| Position Detection Method 位置检测方式 | Absolute Encoder[绝对编码器] |
| Drive Motor/Brake驱动马达/制动器 | All-axis AC Servo Motor+AII-axis with Brake [所有轴交流伺服电机+所有轴带制动器] |
| Way to Install安装方式 | Suspension Hositing[悬挂吊装] |
| Weight重量 | ~25kg |
Controller Specifications 控制器规格
| Items项目 | Specifications 规格 |
| Model型号 | IRC4D-1 |
| Controlled Axes 控制轴数 | 4 Axis [4轴] |
| Programming Software 编程软件 | IPE Software [IPE软件]Rev0.8 |
| Memory Capacity 存储容量 | 1Gb |
| Teaching System 示教方式 | Manual Teaching [手动示教] |
| External Signal(I/O) Input输入信号 外部信号(I/O) Output输出信号 | 17 Available Points [用户开放 17点] |
| 23 Available Points+8 System Fixed Points [用户开放23点+系统固定8点] | |
| External Communication 外部通讯 | RS-232;RJ45;USB2.0[程序拷贝] |
| Self-Diagnosis Function 自诊断功能 | Overload,Abnormal Server/Storage,Input Error [过载、伺服异常、存储异常、输入错误等] |
| Timing Function 计时功能 | 0.1~999sec |
| Error Display错误显示 | Display on Controller [操作控制器上显示错误] |
| Cable Length(Optional) Main Cable 主体电缆 | Standard:5m [标准:5m] Standard:5m [标准:5m] |
| 电缆线长(选项) Power Cable电源电缆 | |
| Working Environment 工作环境 | 0~45°C;<90%RH(No Dew) [温度0~45°C;湿度90%RH以下(无结露)] |
| Power Supply 电源 | Single Phase[单相]AC220±10%V 50/60Hz 1.6KVA |

1688
Search

